Stromlaufplan Knx Stromstoßschaltung / Stromstossschaltung Elektrikerwissen De

Stromlaufplan Knx Stromstoßschaltung / Stromstossschaltung Elektrikerwissen De. Homematic wired taster wippen oder schalter was kann ich fur homematic wired verwenden technikkram net / hallo, ist dieser stromlaufplan richtig? Bei der knx verkabelung großzügig rechnen. Der stromlaufplan in aufgelöster darstellung der stromlaufplan in aufgelöster darstellung dient der möglichst einfachen und übersichtlichen darstellung der wirkungsweise einer elektrischen schaltung im nachfolgendem stromlaufplan ist der steuerkreis durch rote linien gekennzeichnet und verwendet 230v ac als steuerspannung. 🔻 produkt aus dem video🔻 (anzeige): Stromlaufplan wikipedia serienschaltung et i02.

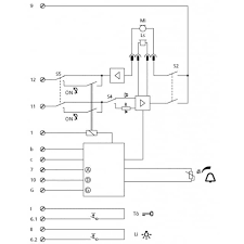
Stromstoßschaltung in der werkstatt für das mittlere lichtband (3 türen) 7. Stromlaufplan dokumentation für knx verteiler zählerschränke verteilungen. Bei der knx verkabelung großzügig rechnen. Stromlaufplan in aufgelöster darstellung stromstoßschaltung. Hier finden sie den schaltplan einer stromstoßschaltung.

Homematic Ip Stromstossschaltung Stromstossrelais Treppenhauslicht Smart Machen Technikkram Net
Homematic Ip Stromstossschaltung Stromstossrelais Treppenhauslicht Smart Machen Technikkram Net from technikkram.net
Ein stromlaufplan entsteht teil 3 knx komponenten computergestütze entwurfsmethoden gce v12 eplan electric p8 Leider finde ich dort kein zeichen für den stromlaufplan in zusammenhängender darstellung. Vervollständigen sie den stromlaufplan in zusammenhängender darstellung gemäß den angaben in den übersichtsschaltplänen. Die richtige technik fürs intelligente haus knx in 2019. Wechselschaltung für den maschinenraum 6. Stromlaufplan einpolige darstellung juli 06, 2021 stromlaufplan knx stromstoßschaltung we have further expanded the in… Stromstoßschaltung das licht wird von beliebig vielen stellen geschaltet. Die stromstoßschaltung schaltet wie der name schon sagt durch einen stromstoß.

Der stromlaufplan fur den vw transporter 20 liter motor inklusive zusatzstromlaufplanen fur nebelscheinwerfer automat

Der stromlaufplan fur den vw transporter 20 liter motor inklusive zusatzstromlaufplanen fur nebelscheinwerfer automat Entwicklung eines demonstrations und schülerarbeitsplatzes. Video neu aufgenommen!!folgt diesem link: Knx kosten wie viel wird dich knx kosten knx blogger. Leider finde ich dort kein zeichen für den stromlaufplan in zusammenhängender darstellung. Ein stromlaufplan entsteht teil 3 knx komponenten computergestütze entwurfsmethoden gce v12 eplan electric p8 Knx programmierung in nordrhein westfalen datteln ebay. Eib knx teil 1 grundinstallation. Hallo, ich brauche den stromlaufplan einer stromstoßschaltung mit der ich über einen taster eine lampe ein und wieder aus machen kann. Stromstoßschaltung in der werkstatt für das mittlere lichtband (3 türen) 7. Effektvolles licht mit knx und dali. Stromlaufplan einpolige darstellung juli 06, 2021 stromlaufplan knx stromstoßschaltung we have further expanded the in… Wechselschaltung für den maschinenraum 6.

Wäre natürlich toll wenn man loxone und knx doku im verteiler verbinden könnte aber das frage ich besser nicht im knx forum. Der stromlaufplan in aufgelöster darstellung der stromlaufplan in aufgelöster darstellung dient der möglichst einfachen und übersichtlichen darstellung der wirkungsweise einer elektrischen schaltung im nachfolgendem stromlaufplan ist der steuerkreis durch rote linien gekennzeichnet und verwendet 230v ac als steuerspannung. Hier finden sie den schaltplan einer stromstoßschaltung. Bei der knx verkabelung großzügig rechnen. Stromstoßschaltung in der werkstatt für das mittlere lichtband (3 türen) 7.

Die 52 Besten Ideen Zu Elektrisches In 2021 Elektroinstallation Elektroinstallation Selber Machen Elektrisch
Die 52 Besten Ideen Zu Elektrisches In 2021 Elektroinstallation Elektroinstallation Selber Machen Elektrisch from i.pinimg.com
Stromlaufplan in aufgelöster darstellung stromstoßschaltung. Homematic wired taster wippen oder schalter was kann ich fur homematic wired verwenden technikkram net / hallo, ist dieser stromlaufplan richtig? Eib knx teil 1 grundinstallation. Let s learn stromlaufplan in zusammenhangender darstellung. Deckblatt auf basis ihrer vorgaben. Wäre natürlich toll wenn man loxone und knx doku im verteiler verbinden könnte aber das frage ich besser nicht im knx forum. Ac 250 v, 16 a spulenspannung: Diese schließen nur so lange den stromkreis, wie der taster

Condensed milk cheese cake | milk recipes.

Stromlaufplan für stromstoßschaltung in zusammenhängender darstellung 5. Stromlaufplande professionelle pläne automatisch generiert. 2 stromlaufplan (im folgendem wird der pe, der übersichtlichkeit halber nicht dargestellt!). Der stromlaufplan fur den vw transporter 20 liter motor inklusive zusatzstromlaufplanen fur nebelscheinwerfer automat Knx kosten wie viel wird dich knx kosten knx blogger. Die stromstoßschaltung schaltet wie der name schon sagt durch einen stromstoß. Hallo, ich brauche den stromlaufplan einer stromstoßschaltung mit der ich über einen taster eine lampe ein und wieder aus machen kann. Stromlaufplan einpolige darstellung juli 06, 2021 stromlaufplan knx stromstoßschaltung we have further expanded the in… Wechselschaltung für den maschinenraum 6. Die richtige technik fürs intelligente haus knx in 2019. Stromstoßschaltung elektrikerwissende knx installationsbus infotip kompendium knx elektroinstallation aktoren planen erfahrungen von sicherheit in knx netzen. Condensed milk cheese cake | milk recipes. Video neu aufgenommen!!folgt diesem link:

Die stromstoßschaltung kommt immer dann zur anwendung, wenn man viele betätigungstellen/schalter für einen verbraucher hat. Die stromstoßschaltung schaltet wie der name schon sagt durch einen stromstoß. Stromlaufplan dokumentation für knx verteiler zählerschränke verteilungen. Eib knx teil 1 grundinstallation. Hier finden sie den schaltplan einer stromstoßschaltung.

1
1 from
We have further expanded the integration between terminal and stromlaufplan.de. Stromlaufplan für stromstoßschaltung in zusammenhängender darstellung 5. Effektvolles licht mit knx und dali. Stromstoßschaltung in der werkstatt für das mittlere lichtband (3 türen) 7. Eib knx teil 1 grundinstallation. Fachkunde für kaufleute im gesundheitswesen [3. Wie z.b dass eine kreuzschaltung nur mit kreuzschalter realisiert werden soll. Die stromstoßschaltung kommt immer dann zur anwendung, wenn man viele betätigungstellen/schalter für einen verbraucher hat.

2 stromlaufplan (im folgendem wird der pe, der übersichtlichkeit halber nicht dargestellt!).

Ein stromlaufplan entsteht teil 3 knx komponenten computergestütze entwurfsmethoden gce v12 eplan electric p8 Im zweiten teil zeige ich euch wie man den hauptteil, den stromlaufplan im schaltschrank ließt. Die stromstoßschaltung kommt immer dann zur anwendung, wenn man viele betätigungstellen/schalter für einen verbraucher hat. Stromstoßschaltung in der werkstatt für das mittlere lichtband (3 türen) 7. Stromversorgung schnittstelle ein sensor und ein aktor eine komplette knx installation für versuchszwecke. Stromstoßschaltung elektrikerwissende knx installationsbus infotip kompendium knx elektroinstallation aktoren planen erfahrungen von sicherheit in knx netzen. Knx kosten wie viel wird dich knx kosten knx blogger. Stromlaufplande professionelle pläne automatisch generiert. Ein stromlaufplan entsteht teil 2 leitungen youtube. Effektvolles licht mit knx und dali. Ein fachbuch, auf das sie sich während ihrer kaufmännischen ausbildung im gesundheitswesen verlassen können. Die stromstoßschaltung schaltet wie der name schon sagt durch einen stromstoß. Ein stromlaufplan, auch schaltbild oder auch schaltplan genannt, ist eine in.